Электрическая схема подключения двух котлов в каскадГлавная / Котлы / Электрический котел СКАТ 6 – 28 кВт / Электрическая схема подключения двух котлов в каскад

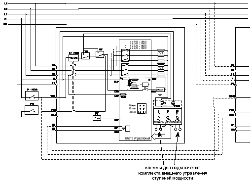
TS – датчик давления 0,8 бар.
HT – аварийный термостат 100°C.
PT – рабочий термостат макс. 85°C.
PR1, PR2 – клеммы для подключения комнатного датчика (230В/0,1A).
HDO – клемма для подключения HDO.
S-HDO – контактор HDO.
K1, K2 – клеммы для каскадного подключения (только для моделей 21, 24 и 28 кВт).
PR – комнатный регулятор.
VT – отопительный ТЭН (в зависимости от мощности котла либо 3, либо 6, либо 7 кВт).
Смотрите также
Регулирование температуры воды в контуре отопления
Регулирование температуры воды в контуре отопления осуществляется с помощью поворотного переключателя «6». Поворачивая
переключатель по часовой стрелке, можно задать температуру воды в
диапазоне от ...
Необходимые действия до начала работы котла. Меры предосторожности
• Установка котла должна производиться только квалифицированными
представителями
специализированных служб.
• До подключения котла к системе подачи газа должен быть подготовлен и
согласован проек ...
Толстостенная отопительно-варочная печь Ш-5 с сушильным шкафом
Эта же печь может быть дополнена сушильным шкафом
(рис. 5.17).
Рис. 5.17. Толстостенная отопительно-варочная печь
Ш-5 с сушильной камерой
В связи с установкой шкафа изменяется кладка 20-28
рядо ...